: DC Motor

04.  전자브레이크 MOTOR

- 안전하게 부하를 유지합니다.
- 무여자 작동형으로 전원이 차단될 때 브레이크 힘이 작동하고 안전하게 부하를 유지합니다. 이 브레이크는 전원공급 실패시 긴급 브레이크 작용을 하고 오랜시간 정지상태를 유지하며 기계의 미끄러짐을 방지합니다.
- 브레이크는 동작시간이 빨리 짧은 시간에 정 · 역회전이 가능합니다.
- 일반 Motor의 오버런은 2~4회전이며 간단한 스위칭을 통해 분당 6번 정도 정지가 가능합니다. (단, 정지시간이 3초 이상이어야 함) 만약 7번 이상의 멈춤을 요한다면 브레이크 Motor를 사용하십시오.
Motor와 브레이크 동일한 전원을 사용하기 위해 전자 브레이크는 자체 정류회로를 가지고 있습니다.,(그러나 380~440V Motor의 경우는 별도의 강압 변압기가 필요합니다.)

동작 원리

그림1은 전자브레이크 Motor의 구조를 보여주고 있습니다. ExceM 브레이크 Motor들은 무여자 작동형으로 코일에 전압을 인가하면 스피링에 의해 억제된 아마추어가 흡입되어 스프링을 눌러 아마추어와 브레이크 라이닝 사이에 틈이 생기고 제동이 해제되어 Motor 샤프트는 회전이 자유롭게 됩니다. 또 코일에 전압공급을 멈추게 되면 아마추어와 스프링 사이의 탄성에 의해 브레이크 라이닝에 압력이 가해져 제동력이 발생하여 Motor 샤프트가 구속상태가 되는 것입니다.

모델 선정

1. 부하조건에 맞춰 요구되는 모터의 용량을 계산합니다.
2. Motor의 관성부하로 부터 요구되는 평균적인 토크를 계산합니다.
3. Motor 축에 가해지는 관성부하를 환산하고 허용관성부하에 적합한 Motor를 선정하십시오.

1. 가속시간

Motor의 가속시간은 다음과 같이 Motor의 평균 가속토크로부터 구해질 수 있습니다.

2. 제동시간

그림1에서 보듯이 브레이크에 있는 air gap으로 인해 전자브레이크 Motor가 제동하는데는 시간지연이 발생하고 지연시간은 다음의 관계식에 따라 계산됩니다.

전자브레이크 Motor의 일반적 특성

전자브레이크 Motor는 가속시간, 제동시간, 오버런 등과 같은 반응성을 포함하고 있는데 이 모든 것들은 부하의 GD 에 영향을 받습니다. 전자브레이크의 특성을 결정짓는 요소들로는 다음과 같은 것들이 있습니다.

1) Motor의 평균 가속토크
2) 평균제동토크
3) 부하토크와 부하의 GD2

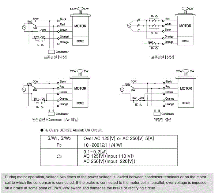
분리형 스위치 (Seperate switch)와 공통 스위치(Common switch)의 비교

전자브레이크의 결선에서 스위치의 위치에 따라 제동시간이 달라집니다. Common 스위치 타입을 사용시 Motor 코일과 브레이크 코일은 폐회로가 되어 Motor의 스위치가 단락되어도 브레이크 코일의 잔류자계 효과에 의해 전기자의 풀림이 지연됨으로써 제동시간이 길어지게 됩니다. 짧은 제동시간을 원하신다면 분리형 스위치 형태로 사용하시기 바랍니다. 특히 정 · 역회전에 사용되는 리버시블 Motor의 경우 반드시 분리형 스위치 타입을 사용하십시오.

입력전압 확인

브레이크 부분은 정류회로를 포함하고 있으며 입력전압은 100V 또는 200V 입니다.
반드시 입력전압을 확인하고 전압이 10%이상 차이가 날 경우 용량의 트랜스를 사용하십시오.

결선도