: DC Motor

03.  BLDC Motor의 모델링

BLDC Motor의 3상 전기자권선의 등가회로는 그림 3.1 과 같다. 회전자는 영구자석과 철로 구성되어 있으므로 회전자에 유기되는 전류는 무시될 수 있는 것으로 가정하였을 때 고정자 3상 권선의 상변수 회로방정식은 다음과 같다.

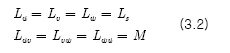
여기서 3상 고정자 권선은 동일하다고 가정한다. 유기된 역기전력은 그림2.2.3에서와 같이 사다리꼴 형태를 가지며 크기는 회전자의 속도에 비례식 2 .2.10 참조)한다. 회전자의 위치에 따른 3상 고정자 권선 인덕턴스의 변화가 없다고 가정(예, SMPM: Surface Mounted Permanent Magnet)하면 각 상의 자기 인덕턴스와 상호 인덕턴스가 동일하므로 다음 식과 같이 각각 , M 으로 나타낼 수 있다.

따라서 회로방정식은

와 같다. 여기서

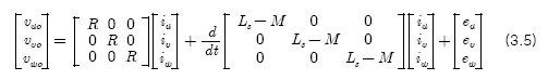
이므로 을 식(3,2)의 시간 미분항에서 빼면

와 같다. 이 식에서

로 놓으면

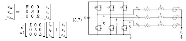
이고 그 등가회로는 그림 3.2 와 같다.

Motor의 전기적인 출력은

이고, 철손등의 전기적인 손실을 무시하면 기계적으로 나타나는 출력은

이므로 Motor의 전기적인 출력torque(Te)는

이다. 그리고 기계적인 운동방정식은

이다.